Stereofónny tuner Tesla ST-100
Stereofónny tuner Tesla ST-100, stereofónny príjem bez šumu
K napísaniu tohto krátkeho článku ma viedla problematika opravy vlastného tunera, ktorý mám vo svojej zbierke (obr. č. 1). Nakoľko bol tento kus zakúpený ako nefunkčný, pristúpil som k jeho celkovej oprave. Meraním bolo zistené, že problém spočíval v poruche napájacej časti a to konkrétne v prerušení 2ks usmerňovacích diód. Samotný tuner neobsahuje väčšie množstvo elektrolytických kondenzátorov a v prípade, že má slúžiť na dennej báze, je viac ako vhodné všetky tieto kondenzátory plošne a preventívne vymeniť. S problematikou kondenzátorov radov Tesla TE 002 a TE 005 sa nebudeme bližšie zaoberať. Po oprave napájacej časti, kontrole stabilizátora napätia a výmene kondenzátorov tuner ožil na prvý pokus.
Obr. č. 1 Stereofónny tuner Tesla ST 100 v kombinácií so zosilňovačom Tesla MUSIC 3O STEREO
(Zdroj: vlastné spracovanie)
V starších diskusných fórach, ale aj na fanúšikovských stránkach venujúcich sa tuzemskej historickej spotrebnej elektronike, je možné pomerne často sa stretnúť so spoločným problémom tohto tunera, ktorým je „šum stereo dekodéra“. Hneď na začiatok však treba poukázať na dôležitý fakt a tým je doba vzniku tohto tunera (1972). Táto doba sa ráta do obdobia v podstate nedotknutého elektromagnetickým smogom a nemenej dôležitým faktom je, že tento tuner je po stránke VF anténneho vstupu optimalizovaný na symetrický 300Ω dipól. To, že moderným prijímačom na kvalitný stereo príjem stačí kúsok medeného drôtu alebo malá teleskopická prútová anténa, je pravda. Do úvahy ale treba brať to, že vstupné VF obvody takýchto prijímačov sú vysoko citlivé, osadené nízkošumovými VF tranzistormi alebo integrovanými obvodmi, ktoré dokážu kvalitne spracovať resp. zosilniť aj slabší vstupný signál. Preto možno hneď v úvode povedať, že základom kvalitného príjmu je dobrá FM anténa. V diskusných fórach (berieme do úvahy len poznámky od skúsenejších rádioamatérov resp. odborníkov s adekvátnym prístrojovým vybavením a praktickými skúsenosťami) sa možno stretnúť s riešeniami zameranými na kompletnú prestavbu dekodéra s využitím známeho IO A290D až po názory, že za šum môžu použité germániové tranzistory a je nutné ich plošne vymeniť za kremík. V dobe, kedy sa ako zberatelia snažíme zachovať maximálnu autenticitu svojich zbierkových predmetov, sa mi práve toto riešenie javí ako maximálne nevhodné, v dnešnej dobe zbytočné a priznám sa, dodnes som sa nestretol s návodom na výmenu tranzistorov Ge/Si, ktorá by popisovala zmeny pomerov v obvodoch po výmene, či bližšie charakterizovala nastavenie pracovných bodov a pod.
Skôr ako sa pustíme do merania a výmeny ďalších súčiastok
Obr. č. 2 Tuner napojený na skúšobný stereofónny generátor
(Zdroj: vlastné spracovanie)
V ďalšom kroku je potrebné identifikovať jednoznačne poruchy, ktoré tuner má a spôsob, akým sa prejavujú. Ak vieme, že vstupné obvody, oscilátor, detektor a všetky časti tunera fungujú správne, môžeme možné príčiny šumu hľadať v stereofónnom dekodéri. Pri subjektívnom posudzovaní šumu v stereo režime však potrebujeme buď kvalitnú anténu, byť v blízkosti silného vysielača a mimo dosahu aktívneho rušenia, alebo mať stereofónny generátor. Na pamäti však treba mať stále fakt, že nesprávna anténa môže výsledky subjektívneho posudku veľmi skresliť, až nesprávne interpretovať. Servisný manuál uvádza, že pre stereofónny príjem je potrebné VF napätie minimálne 10uV (prah stereofónneho príjmu), ideálne napätie predstavuje hodnotu 15uV. V tomto prípade je preto ideálnym pomocníkom Stereo FM generátor (obr. č. 3), ktorý umožňuje vytvoriť takmer ľubovoľné podmienky, na základe ktorých môžeme odskúšať všetky funkcie dekodéra. Tými sú: správna detekcia a optická indikácia stereo príjmu pri prítomnosti 19kHz Pilot signálu, správne zapínanie dekodéra pri dosiahnutí prahového napätia a správne vypínanie pri poklese napätia pod prahovú úroveň, presluchy medzi kanálmi L a P a nakoniec aj vlastný šum pri porovnaní s prevádzkou v režime MONO/STEREO len s prítomnosťou nosnej frekvencie (tichý skúšobný vysielač).
Obr. č. 3 Stereofónny generátor Tesla MZ 695 A-1
(Zdroj: vlastné spracovanie)
Trochu teórie
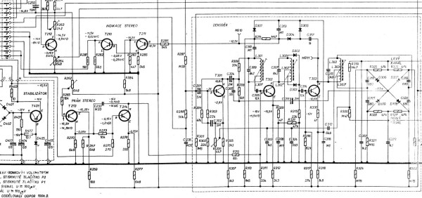
V prípade tuzemských výrobkov bývalého podniku Tesla tento typ diskrétneho dekodéra, znázornený na obr. č. 4, predstavuje prvú generáciu dekodérov, osádzaných do domácich prijímačov a umožňujúcich stereo príjem, využívajúci princíp fázového závesu na synchronizáciu oscilátora na 38kHz s pilotným signálom 19kHz. V zahraničných výrobkoch staršieho dátumu výroby sa možno stretnúť aj s elektrónkovými dekodérmi na báze jednoduchých pevne naladených LC obvodov, ktoré sa v našich podmienkach nikdy nerealizovali.
Obr. č. 4 Schéma zapojenia stereo dekodéra tunera ST 100 a pomocných indikačných obvodov
(Zdroj: oldradio.cz)
Podrobný popis fungovania stereo dekodéra Tesla ST-100
- Vstup MPX signálu
MPX signál (multiplexný signál) prichádza do dekodéra z FM demodulátora a obsahuje:
- (L+R) hlavný zvukový kanál
- 19kHz pilotný signál
- (L-R) vedľajší kanál modulovaný na nosnej 38kHz
- Detekcia stereo režimu
- Detekciu stereo signálu zabezpečuje tranzistor T213 KC 148
- Ak v signáli existuje 19kHz pilotný tón, tento obvod rozpozná stereo režim
- Optickú indikáciu stereo signálu zabezpečuje tranzistor T210 GC 511K (spínanie žiarovky) a tranzistor T211 KC 148, ak je stereo prítomné a nie je zaradená funkcia nútenej MONO prevádzky, tranzistory sa zopnú a rozsvietia zelenú indikáciu STEREO
- Demodulácia stereo signálu
- Demoduláciu signálu zabezpečuje krížový detektor, fungujúci ako vyvažovací demodulátor s diódami D 306, D307, D308 a D309 GA 203
- Ich úlohou je oddeliť (L) a (R) signály z multiplexného signálu
- Diódy musia byť v maximálnej miere zhodné ( predovšetkým V-A charakteristika v priepustnom smere) v opačnom prípade môžu spôsobiť nesymetrické dekódovanie a zvýšený šum.
- Kondenzátory C 320, C 321, C322 a C323 680 pF pomáhajú eliminovať rušenie (skontrolovať ich ESR, príp. zvody a pod.)
- Výstup signálu
- Po demodulácií sa L a R signály posielajú ďalej cez odpory R325, R326 ľavý kanál a R327, R328 pravý kanál zhodne 47kOhm
- Takto rozdelené signály do samostatných kanálov pokračujú k ďalšiemu spracovaniu, úprave a ďalej na výstupný konektor tunera
Požiadavky na kvalitatívne parametre a párovanie súčiastok
- Diódy krížového detektora D 306-309 by mali byť čo najviac identické a ich dôležité vlastnosti sa nesmú navzájom líšiť o viac ako 15%
- Tranzistory T302 a T303 by mali byť párované resp. ich h21e by malo byť v rozmedzí 200-300
- Každá výmena súčiastky v ladených častiach obvodu vyžaduje opätovné zladenie dekodéra v zmysle servisného manuálu
V prípade problémov s nadmerným šumom a nesymetriou úrovne kanálov L a R v STEREO režime:
- Skontrolovať napájacie napätie a jeho príp. zarušenie osciloskopom
- Otestovať diódy krížového detektora D 306-D309
- Vymeniť elektrolytické kondenzátory C301 5uF a C 304, C 311 2uF
- Vykonať opätovne nastavenie dekodéra v zmysle servisného manuálu
Užitočné tipy a rady:
Základom dobrého stereo príjmu je dobrá anténa. Kus medeného drôtu síce môže zachytiť dostatočný signál, ale určite nemožno hovoriť o jeho správnom impedančnom prispôsobení na dané frekvenčné pásmo. Ako vhodné riešenie je možné použiť jednoduchý a dostupný T-dipól, znázornený na obr. č. 5.
Obr. č. 5 Izbový T-dipól
(z produktového portfólia výrobcu Oehlbach Zdroj: Conrad.sk)
Lepší zisk a selektivitu poskytujú exteriérové viacprvkové FM antény príkladom je anténa znázornená na obr. č. 6. Anténa samotná obsahuje symetrizačný člen 300/75Ω.
Obr. č. 6 Viacprvková FM anténa 88-108 MHz
(z produktového portfólia výrobcu Dipól)
(Zdroj: Dipol.sk)
Z hľadiska distribúcie signálu do tunera, či už priamym vedením alebo cez zlučovač a spoločný TV-R rozvod, sa neodporúča využívať netienenú 300Ω dvojlinku, známu hlavne z minulosti. Nakoľko je však anténny vstup tunera Tesla ST-100 o impedancii 300Ω, je potrebné opätovne použiť impedančné prispôsobenie 75/300Ω, znázornené na obr. č. 7.
Obr. č. 7 Impedančný člen 75/300Ω
(Zdroj: amazon.com)
Veľkou výhodou koaxiálnych vodičov je ich tienenie, čo znamená, že takéto vedenia resp. vodiče sú oveľa menej náchylné na rušenie z okolitých elektrických zariadení, ako sú mobilné telefóny, Wi-fi routre, spínané zdroje a v súčasnosti najproblematickejšie LED osvetlenie. Naopak 300Ω dvojlinka je netienená a veľmi ľahko zachytáva všetko okolité rušenie, najmä ak je vedená v blízkosti elektrických káblov alebo kovových predmetov. Ak teda chceme mať čo najkvalitnejší VF signál bez rušenia, je najlepšie použiť v celej trase koaxiálny kábel a až pred samotným tunerom previesť impedanciu späť na 300Ω.
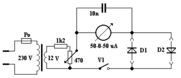
Pre potreby párovania diód v krížovom detektore sa ako vhodná pomôcka javí merný prípravok, znázornený na obr. č. 7.
Obr. č. 8 Merací prípravok pre párovanie diód
(Zdroj: http://ok1ike.c-a-v.com/soubory/pardiod.htm)
Konštrukcia tohto jednoduchého prípravku predurčuje jeho stavbu z dostupných domácich zásob. Problémovejší môže byť panelový merací prístroj s rozsahom 50uA s nulou v strede, ktorý je menej častý. Autor v skromnom popise zapojenia uvádza, že prípravok je vhodný všade tam, kde je potrebné vyberať diódy so zhodnou VA charakteristikou, ako sú balančné zmiešavače a modulátory SSB a DSB vysielačov. Meranie je veľmi jednoduché, pokiaľ sú dve párované diódy zhodné, pri otáčaní potenciometra 470Ω a zmene napätia mikroampérmeter zostáva v nulovej polohe. Diódy teda párujeme tak, aby bola výchylka meradla z nulovej polohy čo možno najmenšia.
Záver
V dobe uvedenia na trh (rok 1972) sa rozhodne jednalo o jeden z výrobkov, ktorý mohol do určitej miery konkurovať zahraničným výrobkom v rovnakej kategórii. Čo robí dodnes tento tuner použiteľným, je jeho CCIR rozsah, teda nie je potrebné žiadne prácne prelaďovanie, prípadne montáž CCIR/ORIT konvertora, ktorý kvalitatívne nemusí splniť očakávané výsledky a stupnica prijímača potom plní len „okrasný charakter“. Ak by sme v 70-tych rokoch túžili po jednotnej zostave, ktorej jednotlivé prvky výrobca označoval ako akostné a sú spoločne zladené tvarom, rozmermi a použitými materiálmi, tak tuner ST-100 spolu s gramofónom NC 410 a zosilňovačom MUSIC 30 STEREO takúto zostavu predstavovali. Za mierne mínus možno označiť absenciu predvolieb, ktorú vyriešil až nasledujúci typ 3603A za cenu predĺženia jeho rozmerov do takej miery, že ho v domácej hudobnej zostave nemožno zladiť prakticky s ničím. V mnou opravovanom kuse som ponechal všetky Ge tranzistory na svojich pôvodných pozíciách. Tuner svojim vlastným šumom nie je nijak nepríjemný alebo rušivý. Čo je však potrebné zdôrazniť je to, že pri požiadavke na kvalitný stereofónny prijem sa bez FM antény nezaobídeme. Interiérová širokopásmová aktívna FM anténa s reguláciou zosilnenia (bežne dostupná v elektropredajniach) okrem signálu rozhlasovej stanice zosilňuje spoľahlivo aj triakovú reguláciu kávovaru, či elektronický predradník neónového osvetlenia v garáži. Tento fakt ma utvrdil v tom, čo som mal v pláne už dávnejšie. Inštalovať a zlúčiť do domového anténneho rozvodu klasickú viacprvkovú FM anténu. V závere možno konštatovať, že tento tuner môže mať svoje miesto v obývačke či posluchovej miestnosti aj dnes. Pre starších môže byť spomienkou na časy, kedy takéto a im podobné výrobky predstavovali v našich podmienkach nedostatkový tovar 1. kategórie a pre mladších určitou vstupenkou do obdobia, keď sa Hi-fi v našich domácnostiach len začínalo nesmelo udomácňovať.
Bezpečnostné upozornenie a zodpovednosť
Uvedený článok predstavuje súhrn osobných odborných poznatkov a skúseností autora, získaných pri opravách a rekonštrukcii historického elektronického zariadenia. Má popularizačný charakter a neslúži ako záväzný návod na opravu.
Je určený výhradne pre osoby odborne spôsobilé a oprávnené zasahovať do elektrických zariadení.
Upozornenie: Toto zariadenie pracuje s nebezpečným sieťovým napätím 230 V / 50 Hz, a preto môže pri neodbornej manipulácii alebo nesprávnej obsluhe dôjsť k vážnemu úrazu elektrickým prúdom.
Všetky opravy a zásahy do zariadenia je nutné vykonávať v súlade s oficiálnou servisnou dokumentáciou a pri dodržaní všetkých zásad bezpečnosti práce.
Ak čitateľ nie je odborne spôsobilou osobou, dôrazne sa odporúča zveriť opravu kvalifikovanému odborníkovi.
Autor nenesie žiadnu zodpovednosť za škody na zdraví, majetku ani zariadení, spôsobené neodborným zaobchádzaním alebo nedodržaním vyššie uvedených odporúčaní.
Autorská poznámka
Tento článok vrátane všetkých priložených fotografií je pôvodným autorským dielom. Jeho šírenie a použitie na vzdelávacie, odborné alebo nekomerčné účely je možné len s uvedením autora a odkazu na pôvodný zdroj. Akékoľvek ďalšie využitie obsahu, najmä v tlačených alebo komerčných publikáciách a periodikách, je možné iba s predchádzajúcim súhlasom autora.
© PaedDr. Ivan Mondočko 2025
imondocko@gmail.com







